Deprecated: mysql_connect(): The mysql extension is deprecated and will be removed in the future: use mysqli or PDO instead in /data/5/c/5c18d4e9-50c1-44fb-bf98-8cd1106d2adc/legrandforum.sk/sub/m/funkcie/funkcie.php on line 11
Vypínače | legrandforum.sk

Vypínače

Jozef
Dobrý deň chcem sa opýtať na zapojenie (schéma)na vypínače 6-7-7-7-7-6 mohli by ste mi to poslať na e-mail vopred ďakujem

spozdravom Jozef

Legrand odpovedá

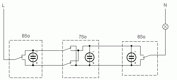
Dobry den,



poseilam schemu v prilohe, sedmicka je tam len jedna ale zapojenie je obodbne aj pri viacerych. 


V prípade ďalších otázok ma kontaktujte priamo na daniel.strkula@legrand.sk alebo na telefónnom čísle +421/2 32 153 624