Deprecated: mysql_connect(): The mysql extension is deprecated and will be removed in the future: use mysqli or PDO instead in /data/5/c/5c18d4e9-50c1-44fb-bf98-8cd1106d2adc/legrandforum.sk/sub/m/funkcie/funkcie.php on line 11
stmievač 7 521 60 | legrandforum.sk

stmievač 7 521 60

Ján
Dobrý deň, v inštalácii mám zapojený otočný stmievač 7 521 60 spolu s tlačidlom
na ovládanie z iného miesta v miestnosti, všetko je zapojené podľa dokumentácie.
Stmievač nepracuje spoľahlivo, vyskúšané rôzne druhy záťaže (R,L,..). Meraním som zistil, že na vodiči pripojenom na svorku "B" sa indukuje napätie asi 5-10 V, ktoré ovplyvňuje informáciu pre svorku "B".
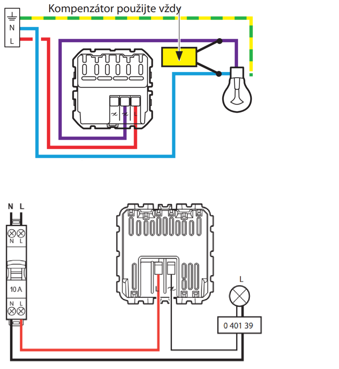
Moja otázka je či môžem kompenzátor používaný na odstránenie poblikávania svietidiel zapojiť medzi svorky "B" a "L" na stmievači.
Ďakujem za odpoveď

Legrand odpovedá

Dobrý deň,



kompenzátor je odporúčané zapájať medzi N a spínanú fázu záťaže - viď.príloha - príkladové schémy.


V prípade ďalších otázok ma kontaktujte priamo na lucia.brlaiova@legrand.sk alebo na telefónnom čísle